High performance rubidium atomic clock

High performance rubidium atomic clock

LX-B21 Rubidium Atomic Clock

The LX-B21 rubidium atomic clock is a small, high-performance rubidium atomic clock. It uses the "0-...

Product Introduction

   The LX-B21 rubidium atomic clock is a small, high-performance rubidium atomic clock. It uses the "0-0" ultra-fine energy level transition frequency signal of the rubidium atom to lock the voltage-controlled quartz crystal oscillator and output an accurate and stable 10MHz standard frequency signal and 1PPS pulse signal. The LX-B21 rubidium clock uses a quantum physics system with completely independent intellectual property rights, and the unique domestic alkali-free glass reduces the frequency drift of the rubidium clock. The LX-B21 rubidium clock is manufactured with domestic components and can work in dynamic and harsh environments such as vehicles, and can receive reference 1PPS signals for taming.


Features

1.Adopting domestically produced components

2.RF output selectable 10/100MHz

3.δy(1s)≤1E-11,optionally≤3E-12

4.Low frequency drift

5.Adapt to the vehicle environment


Application

1.Military Communications

2.In-vehicle timekeeping system

3.Navigation and positioning


Technical Indicators

21-1.png

 21-2.png

21-3.png



602.png

21-4.png


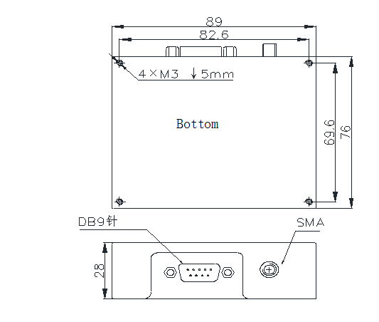
Dimensions and interfaces

The main body of the rubidium clock is (89±1)mm×(76±1)mm×(28±0.5)mm, and is installed on the user's base plate through 4 M3 screws on the base.

Installation dimensions: (82.6±0.5)mm×(69.9±0.5)mm.

See the figure below for specific dimensions.

21-0.png

Figure 1 LX-B21 rubidium clock dimensions (unit: mm)

Power, status, control interface: DB9 pin, the matching connector is DB9 hole.

10MHz signal output interface: SMA-KWHD5, the matching connector is SMA-J series.

The definition of power, status, and control interface is shown in Table 1.


Table 1 Definition of power, status, and control interface (DB9 pin)

 21-6.png


PREV:LX-A45 Chip Atomic Clock NEXT:Nothing

Welcome your product consultation

Our staff will contact you as soon as they receive feedback.